高低壓固定容量葉片油泵50T+PV2R1、150T+PV2R1
訂購:高低壓固定容量葉片油泵50T+PV2R1、150T+PV2R1
- 產品特點
- 型號說明
- 性能參數
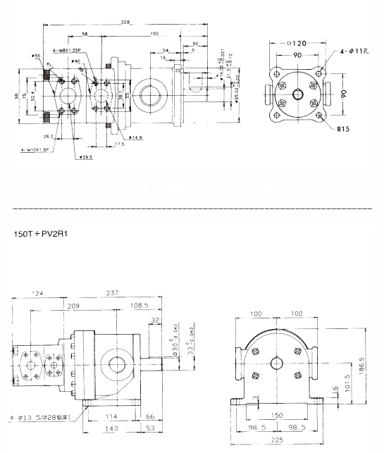
- 產品尺寸
共用同一心軸,同一馬達而構成高低壓泵。
嘈音小,流量大,低成本,高容積效率設計。
嘈音小,流量大,低成本,高容積效率設計。
50T+PV2R1
訂購:高低壓固定容量葉片油泵50T+PV2R1、150T+PV2R1
50T+PV2R1
Partner 戰略合作
