可變容量葉片泵VP-23、26、30、40
訂購:可變容量葉片泵VP-23、26、30、40
- 產品特點
- 型號說明
- 性能參數
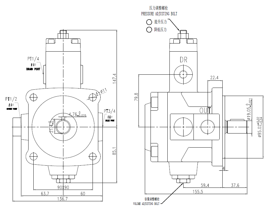
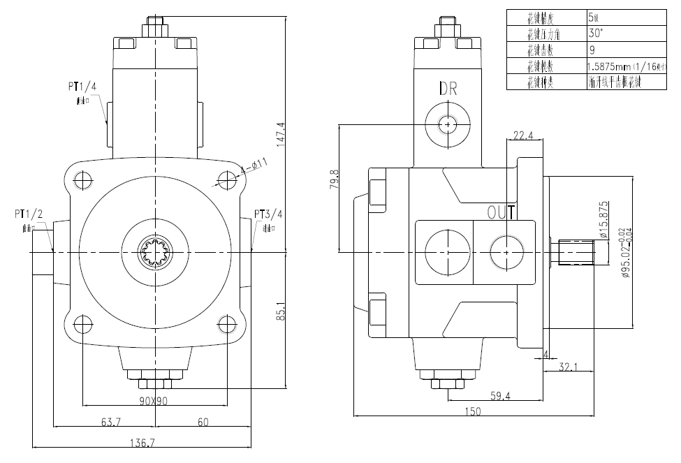
- 產品尺寸
本系列泵浦,操作時嘈音小,運轉滑順,耐摩耗,適于工作母機及專用機使用。
溫升小,馬力損失小,內藏式自動壓力補償設計。


訂購:可變容量葉片泵VP-23、26、30、40
本系列泵浦,操作時嘈音小,運轉滑順,耐摩耗,適于工作母機及專用機使用。
溫升小,馬力損失小,內藏式自動壓力補償設計。


Partner 戰略合作
